升威動態
Granville dynamic
廣東升威電子制品有限公司
電 話:0769-38833333
傳 真:0769-87930111
0769-87930222
E-mail:sw@soundwell-cn.com
地 址:廣東省東莞市塘廈鎮鳳凰崗升威工業園
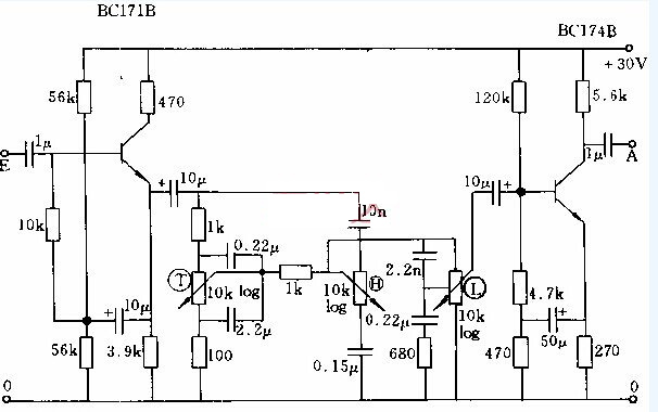
【圖】音量電位器接線圖,怎么判斷電位器是否接正確了呢?
不少朋友糾結音量電位器怎么接?今天升威電子給大家提供一張音量電位器的接線圖,希望可以幫到大家。

如上圖所示:圖中電路包括一個阻坑變換極,用來使具有很低阻坑的音調調節網絡與前級輸出相匹配。在輸入晶體管射極處接入的網絡中有兩個電位器,用于分別調節高低音,而其余的電位器則用于調節音量、第二級的電壓放大倍數約為20,輸入電阻大于100K歐,輸出電阻約為5K歐。
那么,怎么判斷電位器是否接正確了呢?朋友們可以通過如下測試來判斷。
1、旋動旋鈕音量增減均勻(順時針音量增,逆時針音量減);
2、旋動過程揚聲器不應產生“沙沙……”、“咯咯……”噪音,否則是電位器不良;
3、音量旋到最小,應該聽不到任何聲音(俗稱:聲音關死了);
4、電位器旋動手感良好,有均勻的阻力。
廣東升威電子制品有限公司,25年老牌電位器生產廠家,產品通過TS16949 ISO9001 ISO14001品質認證,安全可靠,值得信賴!





















.jpg)
.jpg)
.jpg)



