|
小型編碼器EC09產品介紹
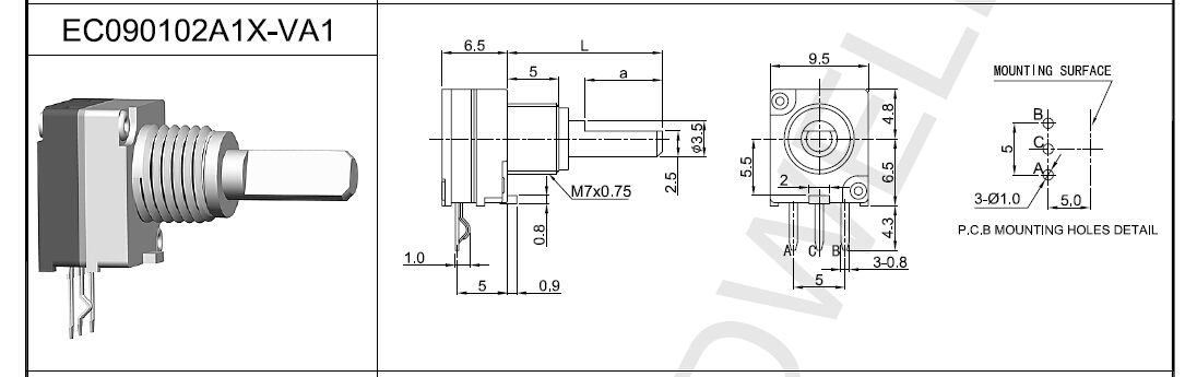
編碼器型號:EC090102A1X-VA1
EC09編碼器特點:體積小、密封性好,可以帶按壓開關,有立式及臥式兩種安裝方式,軸心形狀及長度可調整。
EC09編碼器應用:對講機、收音機、小型音響等
主要功能:調頻、調節音量、功能切換等。
EC09編碼器產品規格參數
主要規格:外形尺寸:9.5mm;
工作溫度:-20℃~80℃;
額定功率:DC 5V 1mA;
定位數:20個;
脈沖數:10;
旋轉壽命:30000次以上;
開關按壓壽命:20000次以上。
一、MECHANICAL CHARACTERISTIC 機械特性
1、 Rotational Torque 旋轉力矩 :50~200gf.cm
2、Total ratational angle 旋轉角度:360°
3、Number and position of detent 定位點數:20 Detents
二、ELECTRICAL CHARACTERISTIC 電氣特性
1、Resolution 分解能力:10 Pulses、
2、Phase difference 相位差:△T=0.25T±0.17T
3、Rating Power 額定功率:DC 5V 0.5mA
4、Insulation Resistance 絕緣阻抗:10MΩ 1 Minute at DC 50V
5、Dielectric Voltage 耐電壓:1 Minute at AC 50V
6、Switch Rating Power 開關額定功率:DC 5V 10mA
三、ENDURANCE CHARACTERISTIC 耐久特性
1、Rotational Life 旋轉壽命:30,000 cycles Min
2、Switch Life 開關按壓壽命:20,000 cycles Min
Note:In this catalog,if some parame ters lr drawings are different from the "Approval sheet",it's subject to the "Approval sheet".
注明:如說明書與承認書規格參數、圖面有異,均以承認書為準。


EC09編碼器規格書可參考如下,編碼器手柄型狀,手柄尺寸有多種尺寸選擇,如有不明,可咨詢升威電子右側客服!



- 廣東升威電子制品有限公司
升威電話:0769-38833333(25線)
固定電話:18219276011
傳真號碼:0769-87930111 0769-87930222
郵 箱:2850818308@qq.com
地 址:廣東省東莞市塘廈鎮鳳凰崗升威工業園




