|
ec12編碼開關產品介紹
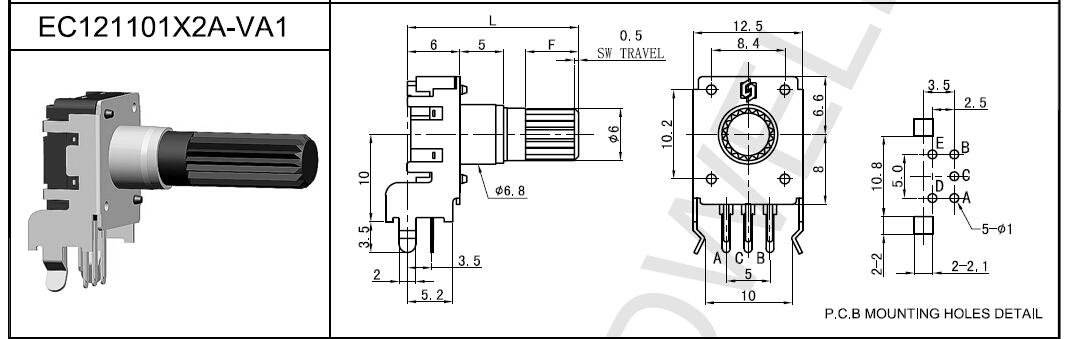
編碼開關型號:EC121101X2A-VA1
編碼開關名稱:ec12編碼開關
ec12編碼開關特點:體積較小、密封性好、性能穩定,絕緣軸柄,可以帶按壓開關功能,有多種不同的規格可選擇。
ec12編碼開關應用:汽車音響,汽車導航、調音臺、多媒體音響\功放,家用電器等
主要功能:調頻、調節音量、調節溫度 、功能選擇等。
ec12編碼開關產品規格參數
主要規格:
外形尺寸:12.5mm
額定電壓: DC 5V;
定位數: 12/18/24/30個;
脈沖沖數:12/15/18;
工作溫度:-40°C to 85°C;
旋轉壽命:30000次以上;
開關壽命:20000次以上;
一、MECHANICAL CHARACTERISTIC 機械特性
1、Detent Torque 定位點力矩 :30-200gf.cm
2、Number and position of detent 定位點數及位置:12/18/24/30 點定位
3、Switch circuit and number of pulse開關電路、接點數:單極單投(推ON)
4、Travel of switch 開關移動量:0.5 ±0.3 mm
5、Operating force of switch 開關作動力:450±200gf
6、Shaft wobble (mm p-p) 軸擺動 :1.0 x L / 30mm p-p 以下(L:安裝長度).
二、ELECTRICAL CHARACTERISTIC 電氣特性
1、Resolution 分解能力 : 12/15/18個脈沖/360°
2、Phase difference 相位差:≥4 ms
3、Rated voltage 額定電壓: DC 5V
4、Insulation Resistance 絕緣電阻:10M? 1 Minute at DC 50V
5、Dielectric Voltage 耐電壓:1 Minute at AC 50V
三、ENDURANCE CHARACTERISTIC 耐久特性
1、Rotational life 回轉壽命:30,000 cycles Min
2、Push operating life 按壓壽命:20,000 cycles Min
Note: In this catalog, if some parameters or drawings are different from the "Approval
sheet", it's subject to the "Approval sheet".
注明:如說明書與承認書規格參數、圖面有異,均以承認書為準

ec12編碼開關規格書可參考如下,編碼開關手柄型狀,手柄尺寸有多種尺寸選擇,如有不明,可咨詢升威電子右側客服!


- 廣東升威電子制品有限公司
升威電話:0769-38833333(25線)
固定電話:18219276011
傳真號碼:0769-87930111 0769-87930222
郵 箱:2850818308@qq.com
地 址:廣東省東莞市塘廈鎮鳳凰崗升威工業園




