|
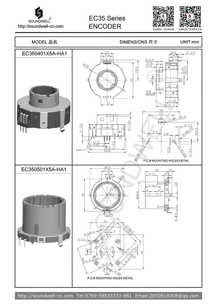
| 編碼器型號: | EC35 |
| 名稱: | EC35中空軸增量編碼器,EC35中空編碼器,EC35中空旋轉編碼器 |
| 主要規格: | 外形尺寸:∮35mm 額定電壓: DC 5V; 定位數:18個/20個/30個; 脈沖數:10/15/18/20; 工作溫度:-40°C ~ 85°C; 旋轉壽命:50,000次以上; |
| 產品特點: |
本體厚度薄型化,長壽命, 有良好的操作手感,中空空間可附加按壓開關 |
| 應用領域: | 該產品適用汽車音響、汽車空調、汽車導航及其它家用電器、相關電子設 備上,主要起到調節音量、調節溫度、調頻、功能切換等作用。 |
一、MECHANICAL CHARACTERISTIC 機械特性
1、Detent Torque 定位點力矩 :50~300gf.cm
2、Number and position of detent定位點數及位置: 20點定位(間隔角度 18°±3°)、30點定位(間隔角度 12°±3°)、 18點定位(間隔角度 20°±3°);
3、Shaft wobble 軸擺動:0.2 mm MAX
二、ELECTRICAL CHARACTERISTIC 電氣特性
1、Resolution 分解能力 :10&15&18&20個脈沖/360°
2、Phase difference 相位差:≥4ms
3、Rated voltage 額定電壓: DC 5V
4、Insulation Resistance 絕緣電阻:10M? 1 Minute at DC 110V
5、Dielectric Voltage 耐電壓:1 Minute at AC 110V
三、ENDURANCE CHARACTERISTIC 耐久特性
1、Rotational life 回轉壽命:50,000 cycles Min
Note: In this catalog, if some parameters or drawings are different from the "Approval sheet", it's subject to the "Approval sheet".
注明:如說明書與承認書規格參數、圖面有異,均以承認書為準。
.jpg)
.jpg)
.jpg)
.jpg)

- 廣東升威電子制品有限公司
升威電話:0769-38833333(25線)
固定電話:18219276011
傳真號碼:0769-87930111 0769-87930222
郵 箱:2850818308@qq.com
地 址:廣東省東莞市塘廈鎮鳳凰崗升威工業園




