|
EC11編碼開關產品介紹
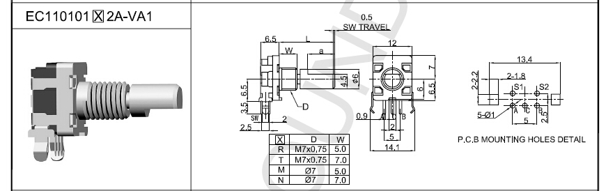
編碼開關型號:EC110101M2A-VA1
EC11編碼開關特點:體積小,密封性好,可靠性高,有多種不同的規格供選擇。
EC11編碼開關應用:汽車音響、汽車空調、汽車導航、調音臺、多媒體音響\功放,家用電器等
主要功能:調頻、調節音量、調節溫度 、功能切換等。
EC11編碼開關產品規格參數
主要規格:
外形尺寸:∮11mm
額定電壓: DC 5V;
定位數:16/20/30/32個;
脈沖數:8/15/16/20;
工作溫度:-40°C to 85°C;
旋轉壽命:30000次以上;
一、MECHANICAL CHARACTERISTIC 機械特性
1、Detent Torque 定位點力矩 :20-200gf.cm
2、Number and position of detent定位點數及位置:16/20/30/32點定位
3、Shaft wobble 軸擺動:0.2 mm MAX
4、Shaft play in rotational wobble 軸的回轉方向擺動:2° MAX
二、ELECTRICAL CHARACTERISTIC 電氣特性
1、Resolution 分解能力 :8/16/15/20個脈沖/360°
2、Phase difference 相位差:≥3ms
3、Rated voltage 額定電壓: DC 5V
4、Insulation Resistance 絕緣電阻:10M? 1 Minute at DC 250V
5、Dielectric Voltage 耐電壓:1 Minute at AC 50V
三、ENDURANCE CHARACTERISTIC 耐久特性
1、Rotational life 回轉壽命:30,000 cycles Min
Note: In this catalog, if some parameters or drawings are different from the "Approval
sheet", it's subject to the "Approval sheet".
注明:如說明書與承認書規格參數、圖面有異,均以承認書為準。

下圖為EC11編碼開關可選擇的脈沖數和定位數

如下為EC11編碼開關規格書,僅供參考,編碼開關的手柄型狀及手柄尺寸均可按客戶需求來定制,如有不明,可咨詢升威電子右側客服。




- 廣東升威電子制品有限公司
升威電話:0769-38833333(25線)
固定電話:18219276011
傳真號碼:0769-87930111 0769-87930222
郵 箱:2850818308@qq.com
地 址:廣東省東莞市塘廈鎮鳳凰崗升威工業園




